Opis
TRANSFORMATOR WIDEO TRN-1/400A
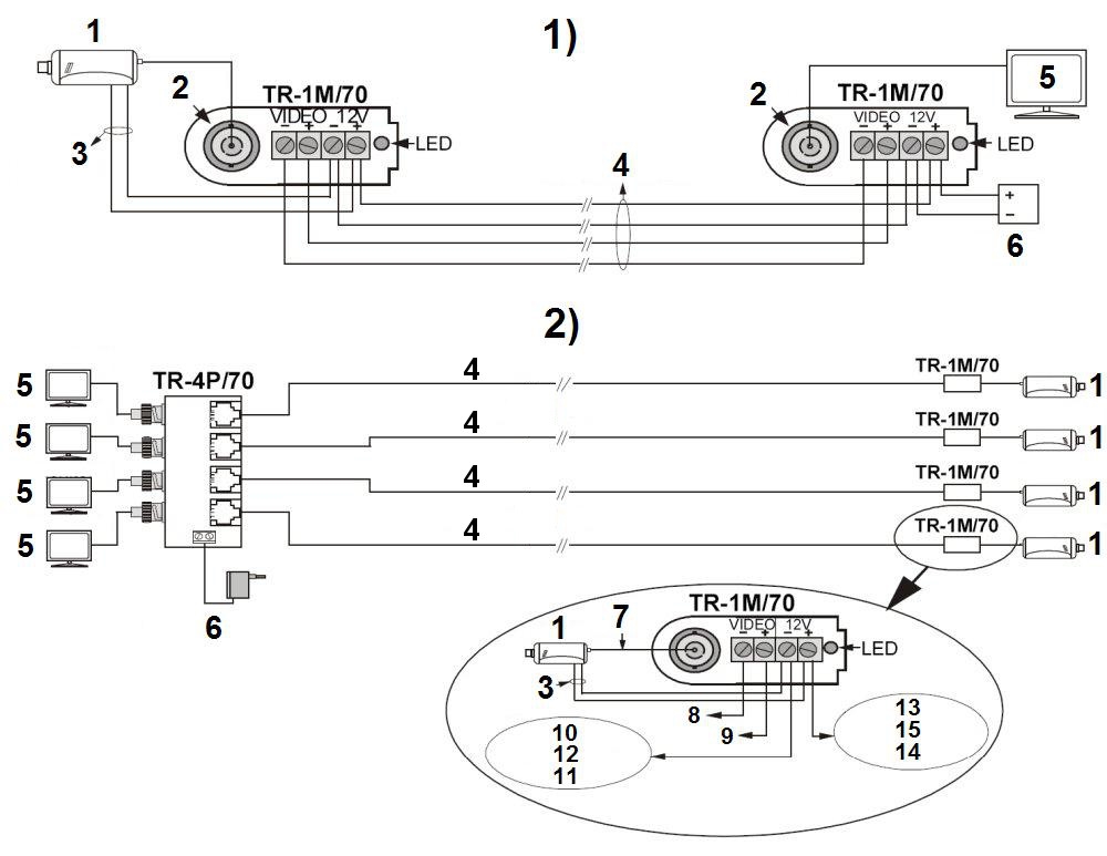
TRN-1/400A przeznaczony jest do przesyłu sygnału wizyjnego i zasilania za pomocą skrętki komputerowej (UTP, FTP)
Sygnał z kamery doprowadzony do wejścia nadajnika TRN-1/400A, zostaje przesłany do odbiornika TRO-4G/400 lub TRO-1/400 za pomocą skrętki komputerowej
W nadajniku i odbiorniku następuje dopasowanie impedancji kabla koncentrycznego 75Ω do impedancji przewodu symetrycznego co zapewnia przesył wizji do 400m
Odbiornik TRO-1/400 wpuszcza do skrętki komputerowej napięcie stałe niestabilizowane (maksymalnie do 45V DC), które w nadajniku TRN-1/400A jest stabilizowane do wartości 4V … 14V DC pozwalając na zasilanie kamer z termostatem
Specyfikacja:
| Standard: | |
| Napięcie wejściowe: | max. 45 V DC |
| Rodzaj urządzenia: | Aktywne / Nadajnik |
| Liczba kanałów: | 1 Wideo 1 DC |
| Napięcie we/wy 75Ω (CVBS): | 1 Vpp |
| Regulacja napięcia wyjściowego: | 4 V … 14 V DC |
| Zasięg wideo: | |
| Napięcie wyjściowe: | 12 V DC / max. 900 mA (ustawienie fabryczne) |
| Tłumienie: | |
| Impedancja złącza symetrycznego: | 100 Ω |
| Typ złącz: | BNC Gniazdo Wideo Zaciski kablowe DC |
| Typ złącza symetrycznego: | RJ-45 (8-pin, 4 pary) Gniazdo |
| Zasięg zasilania: | 1080 m @ 250 mA 260 m @ 750 mA
1600 m @ 250 mA 500 m @ 750 mA |
| Waga: | 0.09 kg |
| Wymiary: | 118 x 61 x 30 mm |
| Gwarancja: | 3 lata |
| Producent / Marka: | DELTA |
Pliki do pobrania:
| CE | Instrukcja PL |
Testy:
Charakterystyka częstotliwościowo-amplitudowa – 2 transformatory zwarte na krótko (RF PWR OUT = 0 dBm)

















































Opinie
Na razie nie ma opinii o produkcie.