Opis
OGRANICZNIK PRZEPIĘĆ VIDEO OPV-1SDI
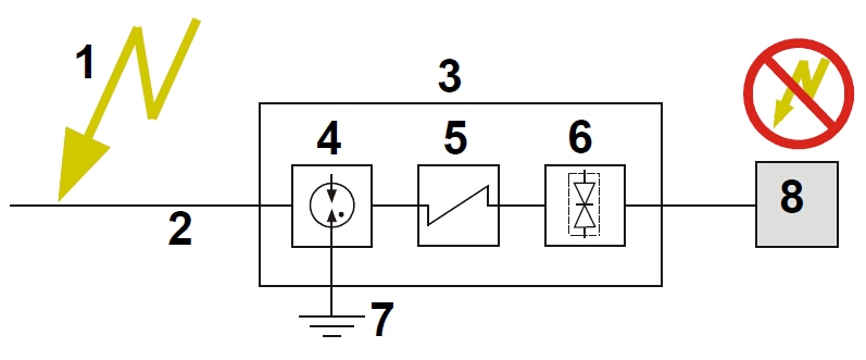
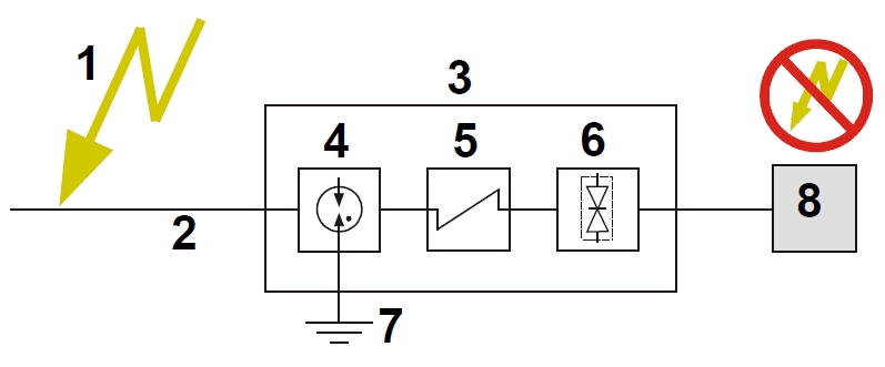
Ogranicznik przepięć OPV-1SDI skutecznie zabezpiecza linię przesyłową umożliwiając odprowadzenie prądu udarowego do ziemi, przez co zapewnia właściwą ochronę przeciwprzepięciową urządzeń elektronicznych.
Nasze statystyki zbierane od wielu lat w serwisie wskazują, że około 25% uszkodzeń sprzętu elektronicznego spowodowane zostało przez przepięcia.
.
OPV-1SDI nie powoduje straty jakości sygnału i jest urządzeniem biernym nie wymagającym zasilania.
UWAGA! Przed instalacją należy zapoznać się z poniższymi zaleceniami: Prac połączeniowych nie można wykonywać w czasie burzy. OPV-1SDI należy podłączyć do dobrej instalacji uziemiającej. Ogranicznik należy umieścić jak najbliżej ochranianego urządzenia.
.
Specyfikacja:
| Standard: | |
| Zabezpieczana linia: | Koncentryczna |
| Napięcie ochrony: | > 5 V |
| Maksymalny prąd wyładowczy: | 1 kA (8/20µs) |
| Czas reakcji: | < 1 ns |
| Prędkość transmisji: | 1.485 Gb/s HD-SDI SMPTE-292M |
| Tłumienie przelotowe: | 1.1 dB |
| Uziemienie: | Pośrednie, przez wyprowadzony przewód |
| Typ złącza wejścia: | Gniazdo BNC |
| Typ złącza wyjścia: | Wtyk BNC |
| Długość przewodu uziemiającego: | 0.5 m |
| Zastosowanie: | |
| Temperatura pracy: | – 20 °C … 55 °C |
| Dopuszczalna względna wilgotność otoczenia: | < 95 % |
| Waga: | 0.07 kg |
| Wymiary: | 64 x 25 x 25 mm |
| Producent / Marka: | DELTA |
| Gwarancja: | 3 lata |
Pliki do pobrania:
| CE | Instrukcja PL |
Testy:
Charakterystyka częstotliwościowo-amplitudowa (RF PWR OUT = 0 dBm)














































Opinie
Na razie nie ma opinii o produkcie.