Opis
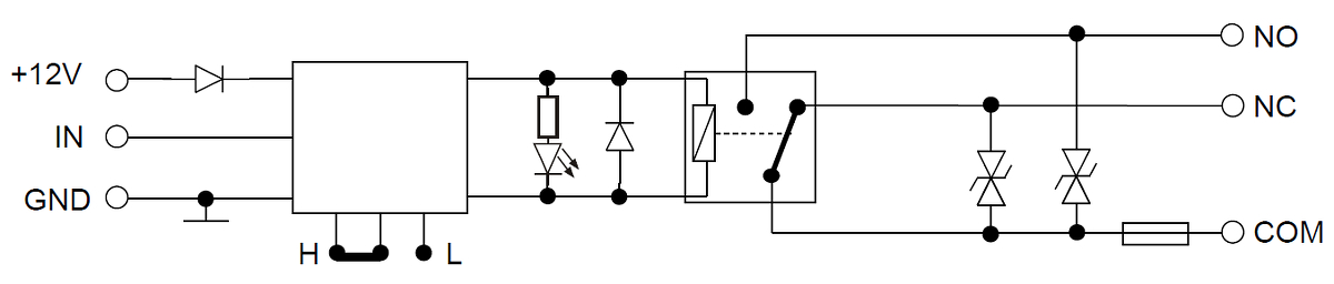
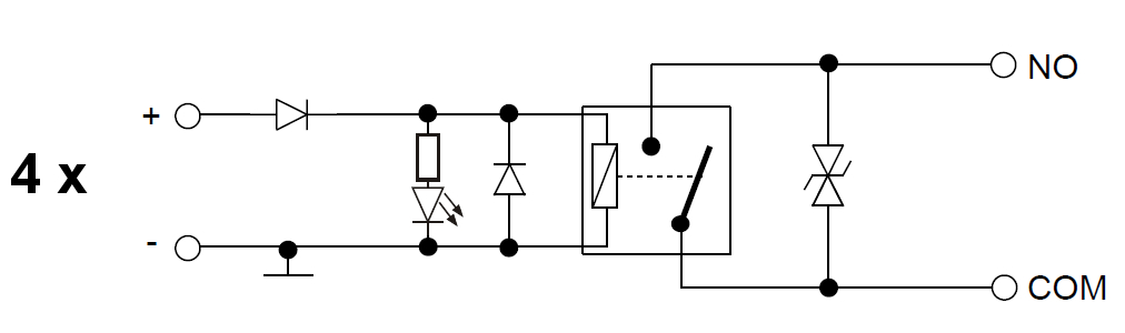
MODUŁ PRZEKAŹNIKOWY AWZ-529
Umożliwia zwiększenie obciążalności prądowej wyjść tranzystorowych oraz wprowadza izolację galwaniczną pomiędzy sygnałem wyzwalającym a obciążeniem
Specyfikacja:
| Liczba wyjść przekaźnikowych: | 2 |
| Zasilanie: | 10 … 14 V DC |
| Pobór prądu: | 37 mA na każdy przekaźnik przy zasilaniu 12 V DC |
| Obciążalność styków: | 2 A (max), 30 V DC / 50 V AC (max) |
| Wyjście: | 2 x NO/NC |
| Wybrane cechy: | Sygnalizacja LED |
| Temperatura pracy: | -10 °C … 40 °C |
| Waga: | 0.04 kg |
| Wymiary: | 70 x 43 x 23 mm |
| Producent / Marka: | PULSAR |
| Gwarancja: | 2 lata |
Pliki do pobrania:
| Instrukcja PL | Instrukcja EN | Deklaracja zgodności CE |
Testy:





































Opinie
Na razie nie ma opinii o produkcie.